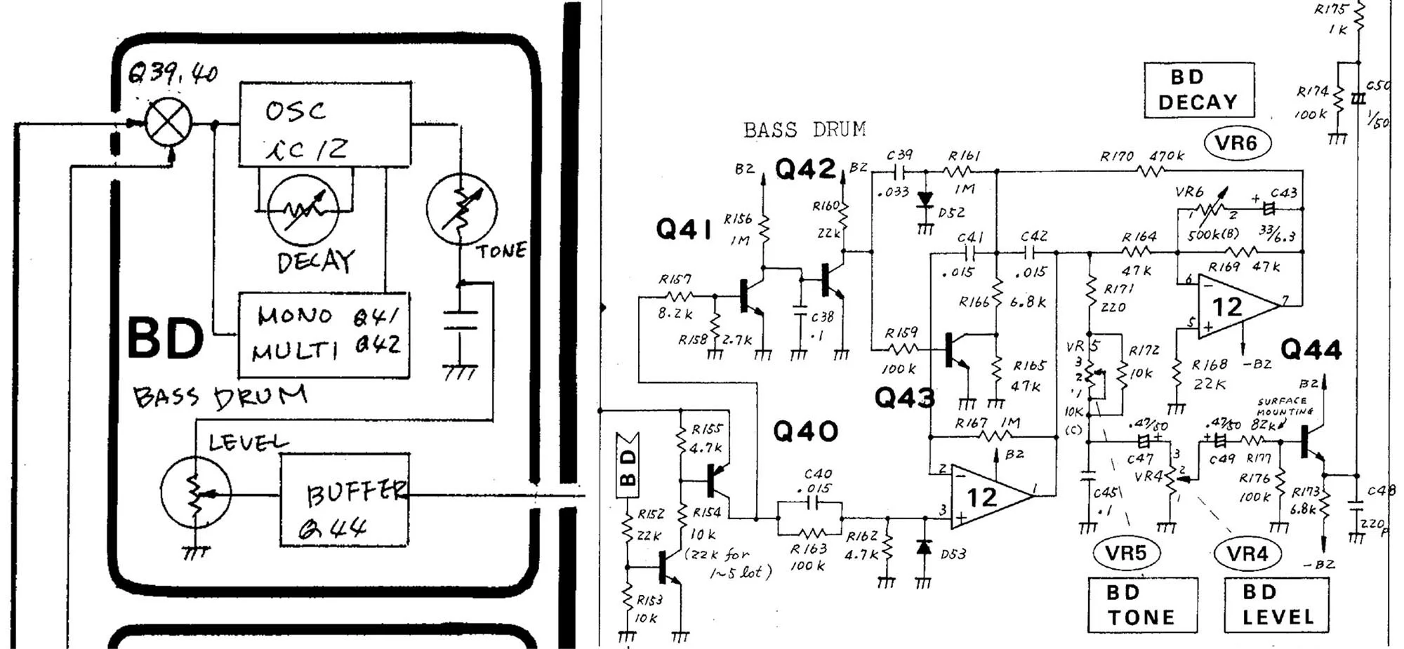
808 Bass Drum Synthesis

The Roland engineers first designed the 808's sounds on a big Roland System-700 modular, then based the circuit designs on their patches. Initially the 808 was intended to be a drum synthesizer, but as the R&D process went on, price and design constraints turned it into the drum machine it became. To keep the price under US$1000, they had to limit the amount and range of components. Thus, they used a bridged-T bandpass filter as the bass drum's sound source because it was compact and efficient, requiring fewer components than a more conventional oscillator.

Summary:

The Roland TR-808 bass drum has a complex transient which quickly, but smoothly, transitions into a decaying sine wave at the fundamental frequency. It is built around a bridged-T bandpass filter that is temporarily excited into oscillation by a trigger pulse. A transient envelope creates a very fast, barely noticeable pitch sweep on the attack The user has control over output level, tone via a lowpass filter, and decay time through feedback amount.

When jumpstarted with a pulse of voltage, the bridged-T network rings at its resonant frequency, producing a decaying sine wave. A feedback loop sustains the oscillation by cycling energy between the filter's capacitors, swinging like a pendulum between positive and negative voltages. Each cycle loses a small amount of energy, causing the oscillation to dissipate over time.

Trigger:

The trigger pulse plays an important role in shaping the sound. A short, loud pulse will excite the filter more intensely, creating a louder and longer sound. The circuit receives a 1 ms trigger pulse that is summed with the accent signal. The service manual lists the trigger’s voltage as 3.5V, and the accent level can be adjusted by the user up to 10V, producing a final summed range from 3.5 to 13.5V.

The summed trigger then passes through a low-shelf filter, a type of equalizer that cuts or boosts frequencies below a threshold while leaving frequencies above that threshold unaltered. The trigger's rising edge, which varies depending on accent level, passes through at full amplitude, while the falling edge is clipped at 0.71V. This gives the trigger a variable attack velocity with a consistent tail.

Bridged-T Bandpass Filter:

The shaped trigger excites the bridged-T based bandpass filter into self-oscillation, producing a decaying sine wave. The service manual lists the filter's frequency as 56 Hz, though measured values of a real 808 can be as low as 48 Hz. The paper “A Physically-Informed, Circuit-Bendable, Digital Model of the Roland TR-808 Bass Drum Circuit” provides a transfer function for determining the filter's centre frequency. When you plug the resistor and capacitor values from the service manual into the coefficients from that transfer function, the result yields 49.4 Hz (G1 plus 14 cents).

A feedback buffer sustains the filter's self-oscillation, with the decay knob controlling the amount of feedback passing through the bridged-T filter. Less signal fed back produces a shorter more clicky sound, while more feedback produces a longer boomy sound. The bass drum’s decay has a range from 50 to 800 ms, and is at 300 ms in the decay knob’s centre position.

An envelope creates a pitch sweep during the bass drum's attack phase, raising the pitch for approximately 6 ms. This gives the attack some extra punch. The drum's pitch is briefly pushed up to 130 Hz (C3 minus 11 cents), at the peak of the attack. The short 6 ms change isn't long enough to be perceived as a pitch shift, but it helps create the snap effect. Use the bode plot above to see the difference between the filter’s normal frequency response, and it’s response during the attack phase.

While the attack envelope is brief, by the time it has ended a significant amount of energy has already dissipated from the filter's ping. To prevent a sudden steep drop in velocity between the attack and the body of the sound, a weak retriggering circuit pulls some voltage from the attack envelope and passes it into the bridged-T network. This extra bump creates a smoother transition into the main body of the sound.

Pitch Drop:

Voltage leakage through the retriggering circuit causes a subtle pitch drop that continues as a gentle downward sweep throughout the decay. A bridged-T oscillator creates a waveform by quickly swinging an op-amp's voltage, and while it is in a low stage, the retriggering envelope pulls voltage out of the bridged-T network through the retriggering pulse. On negative voltage swings, a small amount of voltage leaks out of the filter, and this sapping of voltage causes a subtle pitch drop to occur over the drum's decay.

Output:

There are 3 small circuits at the end of the bass drum. A passive lowpass filter is for tone control, and can be used to reduce the transient click. This is followed by a VCA that allows the user to set the output level. And, at the end of the chain is a highpass filter with a cutoff frequency of 6.7 Hz, which means it isn’t going to do much other than remove DC offset.

How to Recreate the 808 BD:

  • Use a resonant, pingable, bandpass filter as your sound source. Look at the bode plot above. The filter doesn’t have a very steep curve. Try using a 12 or 18 db filter.

  • Tune the filter to 49.4 Hz (G1 plus 14 cents).

  • Plug an envelope into the filter’s FM input. Set the FM amount so that when the envelope is high, the filter outputs 130 Hz (C3 minus 11 cents). Set the envelope up to have a decay only shape. Set the decay time such that it is just barely noticeable.

  • You can change the bass drum’s decay time by adjusting the filter’s resonance/Q amount.

  • For tone control, send the bandpass filter through a lowpass filter.

Further Reading

  • A Physically-Informed, Circuit-Bendable, Digital Model of the Roland TR-808 Bass Drum Circuit

    A paper by Kurt James Werner, Jonathan S. Abel, and Julius O. Smith III. They analyze the 808 BD for the purpose of building a model of it in gen~.This is an excellent resource.

  • Roland TR-808 Service Manual

    Page 5 (bottom right): A brief description of how the BD circuit works.

    Page 7 (top right): A block diagram of the BD circuit.

    Page 9 (top right): Schematics of the bass drum circuit.

    Page 14: A chart with frequency and decay times.

  • Designing a simple analog kick drum from scratch

    A YouTube video where Moritz Klein describes the Erica Synths x Moritz Klein EDU DIY Kick Drum. While not a direct clone of the 808 BD, the circuit he builds is inspired by it, and the information in the video is highly valuable to understanding how the 808 BD works.

  • EDU DIY Kick Drum Manual

    Scroll down to download the manual for the EDU DIY Kick Drum. The manual contains much of the information from Moritz Klein’s video above.

  • Episodes of the Mid-O Series

    A webpage by some of the original designers of the 808. They describe some of the history and circumstances of its development.

Next
Next

Korg KR-55 Cymbal, Hi-Hat, & Cowbell Synthesis