Roland 606 Cymbal and Hi-Hat Synthesis
Cymbal Noise
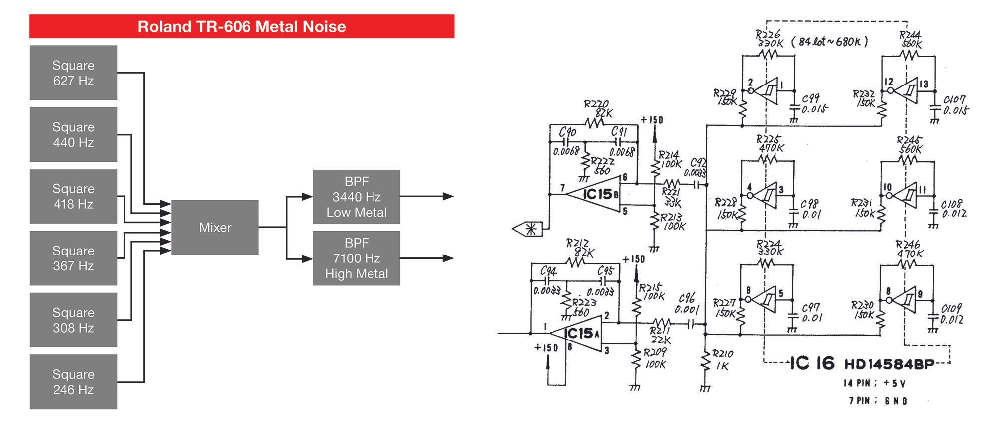
The Roland 606 and 808 drum machines create their metallic cymbal noise using the same design, but with different oscillator frequencies. Both use six square-wave oscillators built from an HD14584B chip containing 6 Schmitt triggers. A Schmitt trigger is a type of gate circuit that outputs a high voltage when a rising input voltage passes above an upper threshold (VTplus) and outputs a low voltage when a falling input voltage passes below a lower threshold (VTminus). Different Schmitt triggers have different values for VTplus and VTminus.
A Schmitt Trigger oscillator is an RC (resistor + capacitor) circuit that functions by charging a capacitor when its voltage is above VTplus, and then discharging when the voltage is below VTminus. The Schmitt trigger’s input is the capacitor’s output, forcing the trigger to constantly flip on and off, creating a square wave oscillator. The Frequency of oscillator is determined by the resistor and capacitor values.
In the 606 cymbal noise circuit, all oscillators are tuned to an inharmonic combination of frequencies. They are mixed equally to create a metallic hum. The resulting signal splits into two separate paths, each passing through its own bridged-T bandpass filter. These filters share the same centre frequencies as the 808 (7100 Hz, and 3440 Hz), producing two distinct metal noise components: a higher-frequency noise (using the 7100 Hz bandpass) for the hi-hats and cymbal shimmer, and a lower-frequency noise (using the 3440 Hz bandpass) exclusively for the cymbal’s body.
Schmitt Trigger Oscillator Frequencies:
The Schmitt trigger oscillators on the 606 have different resistor and capacitor values from the 808, and therefore different frequencies. Strangely, despite the 606’s popularity, I couldn’t find a reference to the frequencies anywhere online. So, I determined these frequencies using two methods: circuit simulation and calculation through a standard formula.
Simulated Frequencies:
Fortunately this style of oscillator is pretty simple and easy to build in a circuit simulator. I used Falstad. The simulated frequencies fluctuate a little based on simulation speed, but the following were the most consistent values:
ƒ1 = 245.098 Hz = B3 -13 cents
ƒ2 = 308.6 Hz = D#4 -14 cents
ƒ3 = 367.6 Hz = F#4 -11 cents
ƒ4 = 416.6 Hz = G#4 +5 cents
ƒ5 = 438.5 Hz = A4 -6 cents
ƒ6 = 625.0 Hz = D#5 +8cents
Calculated Frequencies:
The oscillator frequencies can also be calculated using a standard formula for Schmitt trigger oscillators. The following formula is from an article on All About Circuits:
ƒ = 1,000,000 / (R * C * ln((VTplus * (Vcc - VTminus)) / (VTminus * (Vcc - VTplus))))
Where ƒ = the output frequency in Hz.
R = the resistor value in kΩ.
C = the capacitor value in Nanofarads nF.
ln = the natural logarithm.
Vcc = the input voltage = 5 volts.
VTplus = the upper positive going threshold voltage.
VTminus = the lower negative going threshold voltage.
The 606, and 808 use the HD14584B for their hex Schmitt triggers. I’ve downloaded a data sheet of the HD14584B (linked below) with the following values:
VTplus for 5 volts at 25º: min = 1.8, typical = 2.7, max = 3.4
VTminus for 5 volts at 25º: min = 1.6, typical = 2.1, max = 3.2
Plugging the typical values into the formula it becomes:
ƒ = 1,000,000 / (R * C * ln((2.7 * (5 - 2.1)) / (2.1 * (5 - 2.7))))
Next, get R and C for each oscillator to get an approximate ideal frequency.
To confirm the formula works I started with the 808 because I already know the frequencies:
808 OSC1:
ƒ = known output frequency = 205.3 Hz
R = 560kΩ, C = 0.018µF = 18 nF
ƒ = 1,000,000 / (560 * 18 * ln((2.7 * (5 - 2.1)) / (2.1 * (5 - 2.7)))) = 205.347 Hz
808 OSC2:
ƒ = known output frequency = 369.6 Hz
R = 560 kΩ, C = 0.01µF = 10 nF
ƒ = 1,000,000 / (560 * 10 * ln((2.7 * (5 - 2.1)) / (2.1 * (5 - 2.7)))) = 369.624 Hz
808 OSC3:
ƒ = known output frequency = 304.4 Hz
R = 680kΩ, C = 0.01µF = 10 nF
ƒ = 1,000,000 / (680 * 10 * ln((2.7 * (5 - 2.1)) / (2.1 * (5 - 2.7)))) = 304.396 Hz
808 OSC4:
ƒ = known output frequency = 522.7 Hz
R = 220kΩ, C = 0.018µF = 18 nF
ƒ = 1,000,000 / (220 * 18 * ln((2.7 * (5 - 2.1)) / (2.1 * (5 - 2.7)))) = 522.701 Hz
808 OSC5 & 6:
Oscillators 5 and 6 are different, they have potentiometers to adjust the frequency. Each oscillator has a potentiometer and a resistor. The maximum value is the sum of the potentiometer and the resistor. The minimum is just the resistor value (because the potentiometer would be set to 0).
808 OSC5:
ƒ = known output frequency range = 359.4 Hz to 1149.9 Hz
P = 220 kΩ, R = 100 kΩ, R+P = 320 kΩ, C = 0.018µF = 18 nF
ƒ = 1,000,000 / (320 * 18 * ln((2.7 * (5 - 2.1)) / (2.1 * (5 - 2.7)))) = 359.357 Hz
ƒ = 1,000,000 / (100 * 18 * ln((2.7 * (5 - 2.1)) / (2.1 * (5 - 2.7)))) = 1149.94 Hz
808 OSC6:
ƒ = known output frequency = 254.3 Hz to 627.2 Hz
P = 220 KΩ, R = 150 kΩ, R+P = 370kΩ, C = 0.022µF = 22 nF
ƒ = 1,000,000 / (370 * 22 * ln((2.7 * (5 - 2.1)) / (2.1 * (5 - 2.7)))) = 254.287 Hz
ƒ = 1,000,000 / (150 * 22 * ln((2.7 * (5 - 2.1)) / (2.1 * (5 - 2.7)))) = 627.241 Hz
The results are accurate.
Now to move to on to the 606:
606 OSC1:
R = 560 kΩ, C = 0.015µF = 15 nF
ƒ = 1,000,000 / (560 * 15 * ln((2.7 * (5 - 2.1)) / (2.1 * (5 - 2.7)))) = 246.416 Hz
606 OSC2:
R = 560 kΩ, C = 0.012µF = 12 nF
ƒ = 1,000,000 / (560 * 12 * ln((2.7 * (5 - 2.1)) / (2.1 * (5 - 2.7)))) = 308.0202 Hz
606 OSC3:
R = 470 kΩ, C = 0.012µF = 12 nF
ƒ = 1,000,000 / (470 * 12 * ln((2.7 * (5 - 2.1)) / (2.1 * (5 - 2.7)))) = 367.00285 Hz
606 OSC4:
R = 330 kΩ, C = 0.015µF = 15 nF
ƒ = 1,000,000 / (330 * 15 * ln((2.7 * (5 - 2.1)) / (2.1 * (5 - 2.7)))) = 418.161 Hz
606 OSC5:
R = 470 kΩ, C = 0.010µF = 10 nF
ƒ = 1,000,000 / (470 * 10 * ln((2.7 * (5 - 2.1)) / (2.1 * (5 - 2.7)))) = 440.403 Hz
606 OSC6: R = 330 kΩ, C = 0.01µF = 10 nF
ƒ = 1,000,000 / (330 * 10 * ln((2.7 * (5 - 2.1)) / (2.1 * (5 - 2.7)))) = 627.241 Hz
ƒ1 Falstad = 245.098 = B3 -13 cents
ƒ1 Computed = 246.416 = B3 -4 cents
ƒ2 Falstad = 308.6 = D#4 -14 cents
ƒ2 Computed = 308.0202 = D#4 -17 cents
ƒ3 Falstad = 367.6 = F#4 -11 cents
ƒ3 Computed = 367.00285 = F#4 -14 cents
ƒ4 Falstad = 416.6 = G#4 +5 cents
ƒ4 Computed = 418.161 = G#4 +12 cents
ƒ5 Falstad = 438.5 = A4 -6 cents
ƒ5 Computed = 440.403 = A4 +2 cents
ƒ6 Falstad = 625.0 = D#5 +8cents
ƒ6 Computed = 627.241= D#5 +14 cents
Close enough. The calculated values match the simulated values within a few cents. Therefore, I’ll assume these are correct, but remember: these are approximate ideal values. In the real world, natural variance and age will result in slightly different values.
Cymbal
The cymbal voice uses both the high and low metal noises. The high metal noise feeds into a VCA, followed by a resonant high-pass filter, which adds extra emphasis to the high frequencies. The low metal noise goes into a separate VCA, followed by a single-transistor high-pass filter. A single envelope controls both VCAs.
Hi-Hats
The open and closed hi-hats both shared a common path. They take the signal from the high metal noise, and send it through a common VCA, and resonant high-pass filter. Independent open and closed envelopes, with different decay times, modulate that shared VCA.
The 606 uses a shut off circuit to choke the open hi-hat’s envelope decay time. If the closed hi-hat is triggered while the open hi-hat is active, the open hi-hat envelope is shortened. Varying open hi-hat envelope times are achieved based on when the closed hi-hat is triggered. This interaction between the open and closed hi-hats can be used to create dynamic and more alive rhythms.
Unlike the 808, the 606 doesn’t have any user control of the open hi-hats decay time. On the 606 the decay time is determined by the tempo. Faster tempos have shorter decay times, and slower tempos have longer decay times. However, this can by override by the interaction between the open and closed hi-hats.
Further Reading
Pg. 3 Block diagram.
Pg. 5 Circuit Schematic
A datasheet containing the values required to determine the frequency of the Schmitt trigger based oscillators used in the 606.
Exactly How Schmitt Trigger Oscillators Work (All About Circuits)
How Schmitt triggers work, and how to calculate their frequency.
Scroll down to download the manual. There’s a lot of good information here about how the oscillators and bandpass filters in the 606 work.
Designing a TR-606 style hi-hat from scratch
A video by Moritz Klein going through many of the same topics as the EDU DIY Hi-Hat manual.